888集团

我们很是重视您的个人隐私,,,当您会见888集团网站时,,,请赞成使用的所有cookie。。。。。。有关个人数据处理的更多信息可会见《隐私政策》

shuziluanshengbanner(1)-114.jpg shuziluansheng-532.jpg

AGV调理软件

打造物流全生命周期的集成化智慧物流系统

AGV智能调理软件(IMHS- AGV Scheduling System)

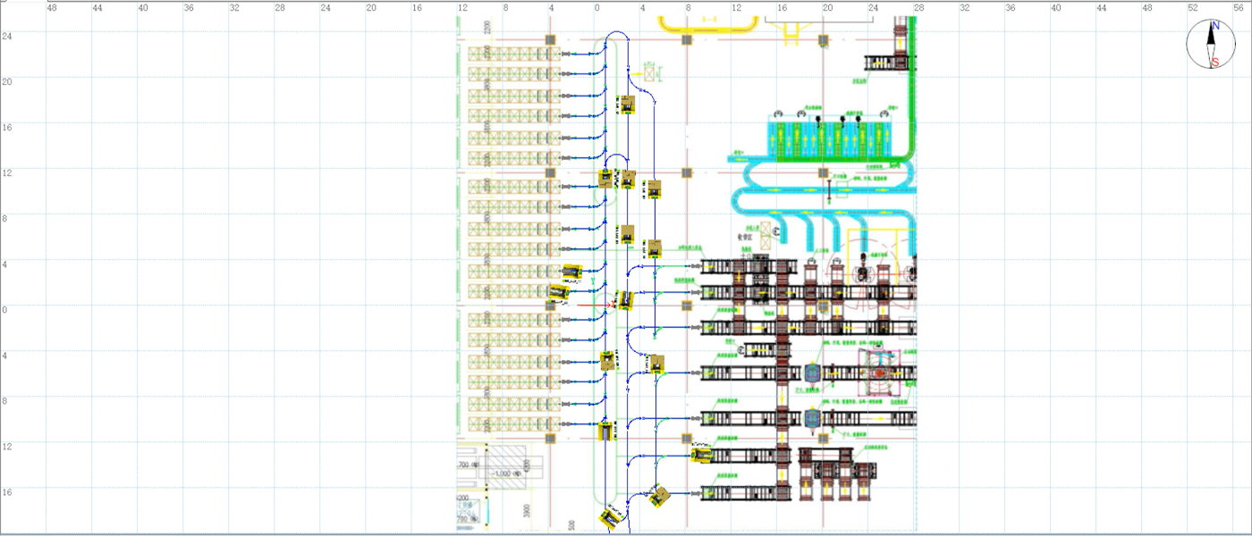
888集团智能AGV调理软件主要包括仿真端模组、服务端模组、监控端模组、妄想端模组。。。。。。 基于自主开发监控与仿真一体化手艺,,,可让仿真端模组与监控端模组共用一套焦点算法与参数,,,相比自力的仿真软件,,,仿真效果越发准确;;;基于时间展望机制的AGV调理手艺,,,在大规模AGV应用场景中,,,可有用提高AGV使用率,,,降低交通避障几率,,,实现整系一切效率的提升。。。。。。

0-303.png
888集团(中国区)官方网站-Welcometo接待光临
AGV智能调理软件-888集团智能

888集团优势

AGV智能调理软件-888集团智能 1-165.jpg

实时感知动态表达

01

凭证AGV使命信息,,,天生一系列一连时间窗模子,,,代表AGV的实时位置,,,实现了动态真真相形感知与表达,,,解决车辆之间时间和空间冲突。。。。。。

AGV智能调理软件-888集团智能 2-808.jpg

智能调理准确高效

02

特殊思量车辆形状尺寸,,,在时间窗维度上更能准确形貌车辆运行情形,,,相比业内常用的基于管控规则的调理手艺,,,可降低爆发交通管制的概率,,,提高了大规模AGV并行事情效率。。。。。。

AGV智能调理软件-888集团智能 3-590.jpg

功效荟萃,,,实现1+1>2

03

荟萃仿真与监控双重功效,,,让仿真功效可以周全引用监控功效中种种细节参数,,,相比纯粹的仿真软件平台,,,仿真效果的准确性更高。。。。。。监控功效引入了仿真功效中的虚拟车辆看法,,,可以在监控中剖析增添车辆后的调理效果,,,功效越发富厚。。。。。。

提交您的需求,,,我们将尽快与您联系

完善您的信息,,,888集团智能专业团队为您提供服务!

姓名 *

电话 *

公司名称 *

职位 *

所属行业*

项目所在都会 *

需求形貌 *

验证码 *

AGV智能调理软件-888集团智能
AGV智能调理软件-888集团智能

换一换

888集团(中国区)官方网站-Welcometo接待光临

我已仔细阅读并赞成 隐私政策

888集团(中国区)官方网站-Welcometo接待光临
【网站地图】